Production Drawings & BOM

Production Drawings & BOM Documentation

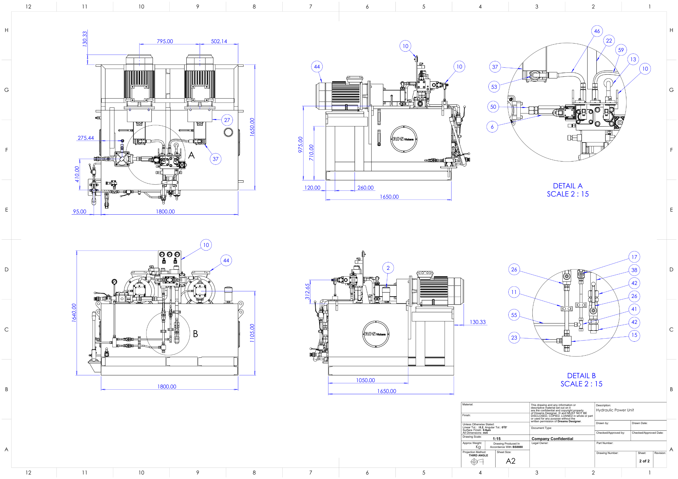
Manufacturing drawings and structured bills of materials prepared for machining, fabrication, and vendor execution.

Production Drawings and BOM Documentation
What We Deliver
  • Complete CAD-based production drawings for manufacturing
  • Structured Bills of Materials (BOMs) with part numbering
  • Detailed material specifications and finishes
  • Assembly instructions for vendor execution
  • Revision control and documentation standards
Tools & Standards
AutoCAD 2D Drafting DXF Export ANSI / ISO Standards Industry BOM Templates Vendor Integration
Work Process
1. Review design files and manufacturing requirements
2. Create detailed production drawings with proper annotations
3. Develop comprehensive BOM with part specifications
4. Verify all dimensions and material callouts
5. Generate CAD-based documentation package
6. Final delivery and drawing set approval